
At the pace of business today, manufacturers need to try and simplify their supply chain, while finding partners they 全国168一分钟极速赛车体彩官网直播赛果记录 Tooling Tech Group can fulfill those requirements. As a leading manufacturer of tooling throughout the United States, we provide solutions for thermoform molding, high compression composite molding, blow molding, rotational molding, die casting, and stamping, as well as custom automated systems for assembly, joining and inspection applications. The depth and breadth of our capabilities is achieved through the combined experience of our four division, each composed of companies that have all been in business for 30+ years, proving out both industry experience and financial stability. Simply put, Tooling Tech Group 1分钟极速168体彩赛车官网查询记录视频 to get your jobs accomplished under one roof.
Lee Childers, Chief Executive Officer
Watch 1分钟极速168体彩赛车官网查询记录视频 tooling, mold, and die requirements and support your global production activities.

Having 168极速一分钟赛车体彩官方网历史数据记录 Tooling Tech Group an advantage over smaller, less-advanced tooling companies, resulting in lower costs, faster lead times, 168极速一分钟体彩赛车赛果-75秒实时直播 tooling.

168极速一分钟体彩赛车赛果-75秒实时直播 Tooling Tech Group has earned a reputation for being a trusted source for high quality products and services in each of our four divisions, leveraging each group’s strengths.

Whether we produce your tool, try it out and dial it in your imported dies, or run production parts, we ensure that you received the highest quality results on time. Make us an integral part of our supply chain.

Last summer we announced a 70,000 sq. ft. expansion of our Macomb Township Majestic Industries’ progressive die and stamping facility, and here are the results. This brief video offers a tour of this newly expanded facility, highlighting our 2,750-ton automated press line.168极速一分钟赛车体彩官方网历史数据记录 Tooling Tech Group family, ensuring that we serve our customers’ needs on time, every time.

We build custom tooling for 168极速体彩一分钟赛车查询直播结果号码, compression molding, blow molding, die casting, and stamping, as well as secondary equipment and automated solutions for these applications.

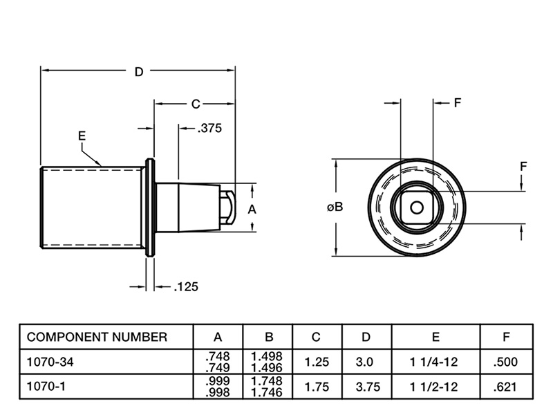
Our Segen™ line of quick-change components can help any manufacturer achieve their lean manufacturing goals. These systems replace nuts, bolts, fasteners and hand tools to significantly reduce the time wasted on industrial setups, changeovers, workholding, clamping, fixturing and alignment.
Request a Quote

Check Out Our Upcoming Events!
Connect with teams from Tooling Tech Group companies at upcoming industry events.
Learn More


Proprietary Joining Solutions for Big Boy Toys
In this process, the heavy truck components (about 5-ft x 7-ft in size) are kept in a glue/bond apply station where a robot travels along a shuttle applying the adhesive to the different stations. The operator then manually loads the components in the front half of the cell and six components on the other side of the cell. The side with six components pivots up and is merged with the stationary side with the three components. The cycle then starts where cylinders are engaged to apply the pressure to finalize the bond
Combining Manual and Automated Processes
In this instance our customer asked us to develop a process to bond steel and composite brackets, apply glue and drill holes in a new 2.5 ft x 4 ft component in right-hand and left-hand styles.
In our process, the operator loads the component into the drill where six holes are drilled. The operator then takes the part and puts it into a loading nest where the robot picks up the part and moves it under a stationary dispensing head that applies the glue for the bracket reinforcements. While the glue is being applied, the operator is loading the brackets into the next station. Once these actions are completed, the robot then loads the part into the nest at the manual station and the assembly press closes automatically to complete the bonding process. A mix of two to three operators and one robot results in an efficient cycle time of 3 to 3.5 minutes
Confidential Design to Processing Multiple Part Styles
Our customer provided us the spec sheet outlining the time, temperature and recipe for a foam mix that needed to be applied in order to complete the manufacture of four different composite components.
We developed an automated dual line solution with two 6-axis robots and two shuttles functioning as axis 7 and 8 as the shuttle movements are interlocked with the robots. The operator loads the component on the fixture device and as the shuttle moves, the first robot arm is programmed to apply the foam. This robot then moves out of the way and the second robot moves in and measures the foam bead via a laser measuring system to ensure the right amount was applied. This robot then picks and place the component in the oven. Overall cycle time is 85.9 seconds.
From Four Machines to a Single Line
Our customer needed to produce two versions of a composite automotive part that required the routing of 100 holes and the application of 65 float nuts along with some rivet studs. In addition, they wanted a fully automated solution with +0.25mm tolerance on the holes, zero dust emission and a cycle time of just over three minutes. The customer thought it would take four machines to accomplish this.
Tooling Tech developed a solution that could route all the holes in a single orientation during a continuous process while using a minimum amount of floorspace. The process starts with the operator manually loading the part on a wall fixture where the automated cycle then starts. The part is clamped in place, the part style verified via a sensor, and several holes are drilled. The wall then rotates 180 degrees and a handling robot picks up the part and places it into the route cell where four robots cut about 65 holes. Each robot has a vacuum unit at its head and collects the dust during the routing process.
The handling robot then moves the part to the rivet nut station where two robots apply 66 float nuts, fed to the robots via a pneumatic tube. The nuts go in and are crimped using amperage as an indicator if the nut is properly secured. At the end of this process, all six robots communicate with the material handling robot to determine good or bad part.
Eliminating Human Error
We supplied our customer with a solution for welding two components together, where clinch nuts were already pressed in prior to welding. After welding, manual processes included the insertion of two push pins for a wiring harness operation and the application of a piece of double-sided tape. However, 10 – 15% of the components were being sent to quarantine due to missing parts.
Tooling Tech developed a fixturing station for assembly and a checking station to verify part presence. Once the part is welded, it is manually moved to the assembly station where the pin and tape are put in place. The part is then moved to the checking station where the part is clamped in place, and it goes through an automated checking cycle. Using a variety of sensors, the presence of the tape, clinch nuts and pins are all verified. This has saved the customer about $10,000/week.
In these days of lightweighting, it’s not only performance vehicles that benefit from composite structures. Introduced in 1987, the Jeep Wrangler has become an icon and popular across the world. With the 2018 model re-design, engineers were able to drop 200 pounds from the vehicle by employing aluminum bodywork and composite hardtop panels, with molds supplied by Tooling Tech Group. The frame is also 100 pounds lighter through extensive use of high strength steel.
Originally introduced in 2010, this performance truck shed 500 pounds in its 2017 iteration with a new aluminum body as well as composite hood and front fenders. This 2018 model has the same features, proving that lightweight materials can tough out off-road driving.
From the sleekest and sexiest of vehicles to the biggest boys on the highway, Tooling Tech Group provides molds for many heavy truck manufacturers. When you look at the size of these cabs, you can just imagine the weight reduction being achieved by the usage of composite materials.
This vehicle, commemorating the movie Bullitt starring Steve McQueen, was ‘the thing” at the 2018 Detroit Auto Show. To match the original movie car, this version is light on external badging and painted in the same dark green. However, the original was a steel vehicle and today’s version features composite panels.
Ford’s research into improved efficiency through weight reduction with advanced materials including new metals, alloys and composites began more than 25 years ago. Although the new 2019 Ranger features a high strength steel frame, the company is employing composite truck beds and body panels to help reduce vehicle weight. Other highlights include frame-mounted steel bumpers, an aluminum hood and tailgate, and standard automatic emergency braking and rearview camera.
Tooling Tech Group 168极速体彩一分钟赛车查询直播结果号码 on the Chevrolet Corvette, most recently providing the molds, bonding, drilling and assembly equipment for the C-7 and C-8 Stingray and Z06. The C6 Z06, introduced in 2006, was recognized for its use of advanced materials including an aluminum frame, magnesium roof structure, engine cradle and other suspension attachment points as well as light-weight, high-strength composite panels for the front fenders, front wheelhouses and rear fenders.